
全面簡析風冷模塊機組(原理、結構、熱回收及安裝要點)
風冷模塊機組的主要特點
1、是以空氣為冷(熱)源,以水為供冷(熱)介質的中央空調機組,即冷凝器為翅片式換熱器,蒸發器為水氟換熱應用的換熱器,如套管、殼管及板式換熱器等。
v2、作為冷熱源兼用型的一體化設備,風冷熱泵省卻了冷卻塔、冷卻水泵、鍋爐以及相應管道系統等多種輔件,系統結構簡單,安裝空間節省,維護管理方便而且節約能源,尤其適用于水源缺乏區域。
3、風冷熱泵機組通常是許多冬冷夏熱,既無供熱鍋爐,又無供熱熱網,或熱網供熱時間短、不穩定,要求全年空調的暖通工程設計中優先選用的有效補充。
4、其與風機盤管、空調箱等末端裝置所組成的集中、半集中式中央空調系統具有布置靈活、控制方式多樣等優點。
機組工作原理
制冷模式
  
壓縮機排出的制冷劑高溫氣體在風側換熱器中冷凝成液體,經節流裝置節流降壓,進入水側換熱器,吸收熱量蒸發后回到壓縮機,完成一個制冷循環;同時,從室內來的空調用水經過水側換熱器后被冷卻降溫。
制熱模式
  
壓縮機排出的制冷劑高溫氣體在水側換熱器中冷凝成液體,經節流裝置節流降壓,進入風側換熱器,吸收熱量蒸發后回到壓縮機,完成一個制熱循環;同時,從室內來的空調用水經過水側換熱器后被加熱升溫。
機組一般結構及配置特點
  
渦旋壓縮機
  
渦旋壓縮機具有體積小、重量輕、效率高、振動與操作低、運行可靠、加工精度要求高等特點。
換熱器
  
雙系統板式換熱器:每個制冷劑回路都與水回路相鄰,部分負荷時凍冰風險大為降低。部分負荷時傳熱溫差增加20%,COP增大4%。
  
套管式換熱器:制冷劑在換熱管內強制對流沸騰并冷卻管壁,循環水在管束外強制對流并加熱管壁,兩種介質通過換熱管壁傳熱。
  
風冷翅片換熱器:采用優質銅管與由親水膜材料制成的強化鋁翅片經漲管機漲管而成。管片結合緊密,傳熱效率高;運行維護、清潔方便。
四通換向閥
  
四通換向閥是一種兩進兩出的特殊電磁閥,用于壓縮式熱泵系統供暖與制冷工況轉換。當熱泵從制冷工況轉為供暖工況時,四通換向閥動作(轉到供暖工況位置),于是室內蒸發器作為冷凝器用,壓縮機排出的高溫制冷劑蒸汽經四通流入室內蒸發器(此時作冷凝器用),而冷凝器則成為蒸發器,完成工況轉換。
節流閥
  
熱力膨脹閥:是調節進入蒸發器中揮發性制冷劑流量的控制機構。具有的作用:節流降壓、控制流量、控制過熱度。
  
電子膨脹閥是按照預設程序調節蒸發器供液量,因屬于電子式調節模式,故稱為電子膨脹閥。對于熱力膨脹閥,當環境溫度較低,其感溫包內部的感溫介質的壓力變化大大減小,嚴重影響了調節性能。而對于電子膨脹閥,其感溫部件為熱電偶或熱電阻,它們在低溫下同樣能準確反應出過熱度的變化。因此,在冷藏庫的凍結間等低溫環境中,電子膨脹閥也能提供較好的流量調節。
電磁閥
  
防止液擊
干燥過濾器
  
機組系統的清潔衛士
視液鏡
  
均液器
  
平均分配制冷劑
過濾器
  
有效改善水質條件
水流開關
  
有效改善水流條件,合適的水流量是空調主機可靠工作的必要保證。
控制器
  
安全保護、遠程控制等功能。
幾種換熱器比較
  
機組設計安裝及應用
設備選型(估算)
通常根據制冷負荷估算:房間制冷量=單位負荷指標×房間面積
  
根據計算負荷、進出水溫度、環境溫度等值查選樣本選擇能滿足條件的機型!(條件需要重點考慮)
水系統形式及對比
水系統形式一般有:同程式、異程式、混合式。
  
同程式連接示意圖
  
異程式連接示意圖
  
混合式連接示意圖
  
水泵的選擇與水系統配件
所謂水泵的選取計算其實就是估算(很多計算公式本身就是估算的),估算分的細致些考慮的內容全面些就是精確的計算。暖通南社在推送的課件中多次提到。
水泵揚程簡易估算法:
Hmax=△P1+△P2+0.05L(1+K)
△P1為冷水機組蒸發器的水壓降。
△P2為該環中并聯的各占空調未端裝置的水壓損失最大的一臺的水壓降。
L為該最不利環路的管長。
K為最不利環路中局部阻力當量長度總和和與直管總長的比值,當最不利環路較長時K值取0.2~0.3,最不利環路較短時K值取0.4~0.6。
水流量計算
1、冷卻水流量:一般按照產品樣本提供數值選取,或按照如下公式進行計算,公式中的Q為制冷主機制冷量:
L(m3/h)=[Q(kW)/(4.5~5)℃x1.163]×(1.15~1.2)
2、冷凍水流量:在沒有考慮同時使用率的情況下選定的機組,可根據產品樣本提供的數值選用或根據如下公式進行計算。如果考慮了同時使用率,建議用如下公式進行計算。公式中的Q為建筑沒有考慮同時使用率情況下的總冷負荷。
L(m3/h)=Q(kW)/(4.5~5)℃×1.163
3、冷卻水補水量一般1為冷卻水循環水量的1~1.6%。
水系統配件
  
  
安裝方式與安裝空間
安裝方式及優缺點
  
  
安裝空間
  
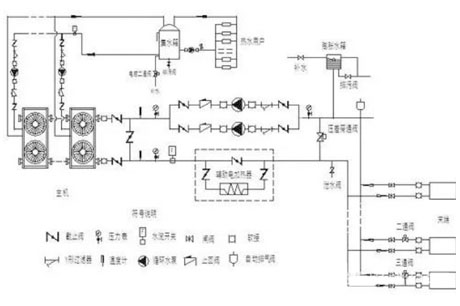
熱回收模塊水管路安裝示意圖
  
  
  
  
  
  
熱回收概念及其形式
關于風冷熱回收,暖通南社在相關課件多次提到。這里簡單闡述下。
熱回收概念
如下圖,在lgP-H圖中
2點到5點的過程為整個冷凝過程
2點到3點是制冷劑的過熱段顯熱放熱過程
3點到4點是制冷劑的潛熱放熱過程
4點到5點是制冷劑的過冷段顯熱放熱過程
  
部分熱回收指部分利用制冷劑的冷凝熱加熱生活用水,水溫高于冷凝溫度(上圖2—3過程);
全部熱回收指制冷劑過熱蒸氣冷卻、冷凝和過冷,冷凝熱全部回收加熱生活用水,水溫低于冷凝溫度(上圖2—5過程)。
部分熱回收:只利用壓縮機出口蒸汽顯熱,蒸汽顯熱一般占全部冷凝熱的15﹪左右,其它的冷凝熱在冷凝器中被風機帶走;
全熱回收:利用全部的冷凝熱。
  
  
機組熱回收內部結構與特點
  
機組熱回收內部結構與特點
風冷熱泵全熱回收—制冷
此時與普通風冷冷水機組一樣使用,提供空調用冷凍水。制冷劑直接流入風冷冷凝器冷凝。
  
風冷熱泵全熱回收—制冷+熱回收
高溫高壓的制冷劑直接從壓縮機至熱回收器,機組在提供7℃凍水的同時又提供55℃生活熱水。COP極高,最節能。
  
風冷熱泵全熱回收置—空調制熱
此時與普通風冷熱泵機組一樣使用,提供空調用熱水。制冷劑直接流入水側換熱器,從空氣中吸取熱量。
  

 <
											< <
											< <
											< <
											< <
											< <
											< <
											< <
											< 
				